综合试题1 综合试题2 综合试题3 综合试题1(答案) 综合试题2(答案) 综合试题3(答案)

--------------------------------------------------------------------------

综合试题2

课程编号 : BS070101 北京理工大学 2005-2006 学年第 1 学期

2003 级机械设计(Ⅰ)终考试卷 (B 卷 )

 

班级______ 学号______ 姓名______ 成绩______

 

一( 本大题 12 分)

1. 计算图示机构的自由度(6 分 ) 。若有复合铰链、 局部自由度或 虚 约 束, 必 须 指 出( 2 分)。

2. 画出该机构的低副替代机构( 4 分)

 

 

 

 

二、 ( 本大题 14

在图示凸轮机构中,凸轮为偏心圆盘,圆盘半径 R= 30mm ,圆盘几何中心到回转中 心的距离 l OA = 15mm , 滚子半径 r r = 10mm 。当凸轮逆时针方向转动时,试确定 :

( 1 )该凸轮的基圆; (4 分 );

( 2 )该凸轮的理论廓线; (3 分 )

( 3 )图示位置时凸轮机构的压力角 ; (3 分 )

( 4 )凸轮由图示位置转过 90 ° 时从动件的实际位移 s 。 (4 分 )

 

三、( 本大题 16

试设计一用于雷达天线俯仰传动的曲柄摇杆机构。已知天线俯仰的范围为 mm , mm 。求曲柄和连杆的长度 ,并校验传动角是否满足

提示:雷达天线俯仰转动不应有急回现象。

 

四、 ( 16 )

 

在图示机构中,已知 rad/s , a 1 =0 , m 。 求 ( 8 分)、 ( 8 分) 。

 

五、( 本大题 18

一对渐开线外啮合直齿圆柱 齿轮传动,已知 mm , , , 实 际 中 心 距 mm , 试 解 答 下 列 问 题:

(1) 求 啮 合 角 (3 分 ) 和 中 心 距 变 动 系 数 ( 2 分);

(2) 按 无 侧 隙 要 求 确 定 两 轮 变 位 系 数 之 和 ;( 4 分)

(3) 取 , 计 算 齿 轮 的 顶 圆 直 径 ;( 5 分)

(4) 计 算 该 对 齿 轮 传 动 的 重 合 度。( 4 分)

注: 无 侧 隙 啮 合 方 程

重 合 度 公 式

中 心 距 变 动 系 数

齿 顶 高 变 动 系 数

 

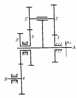
六、 ( 本大题 16

图 示 轮 系 中, 已 知 。 若 r/min , 求 的 大 小 及 方 向。

 

七、 ( 8 分,每问各 2 )

已 知 某 机 器 的 运 动 周 期 为 , 等 效 阻 力 矩 的 变 化 规 律 如 图 所 示。 若 等 效 驱 动 力 矩 为 常 数, 平 均 角 速 度 rad/s , 等 效 转 动 惯 量 kg × m 2 。 试 求:

( 1 ) 等 效 驱 动 力 矩

( 2 ) 最 大 盈 亏 功

( 3 ) 最 大 和 最 小 角 速 度 的 位 置;

( 4 ) 运 转 速 度 不 均 匀 系 数